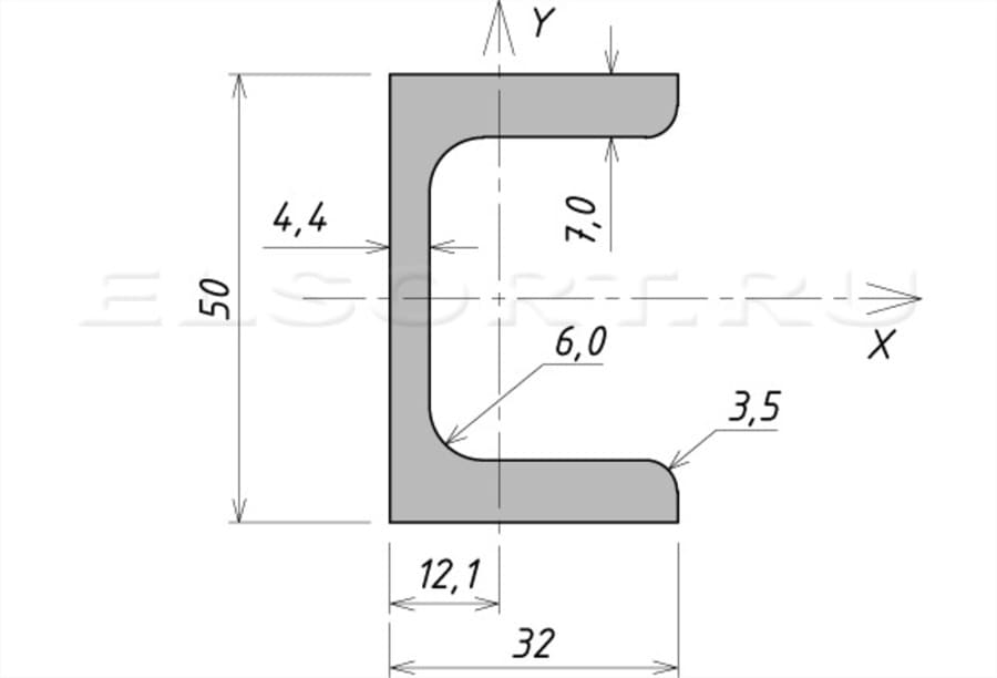
Размеры швеллера — все характеристики и ГОСТы

В настоящее время огромным спросом пользуются металлические швеллеры. Конечно же, они должны изготавливаться по общепринятым стандартам и соответствовать всем требованиям. Иначе можно подвергнуть большому риску при эксплуатации зданий. Изготавливаются все швеллеры по ГОСТ 8240-97.